欢迎访问起重设备
返回引导页欢迎访问起重设备
返回引导页产品展示

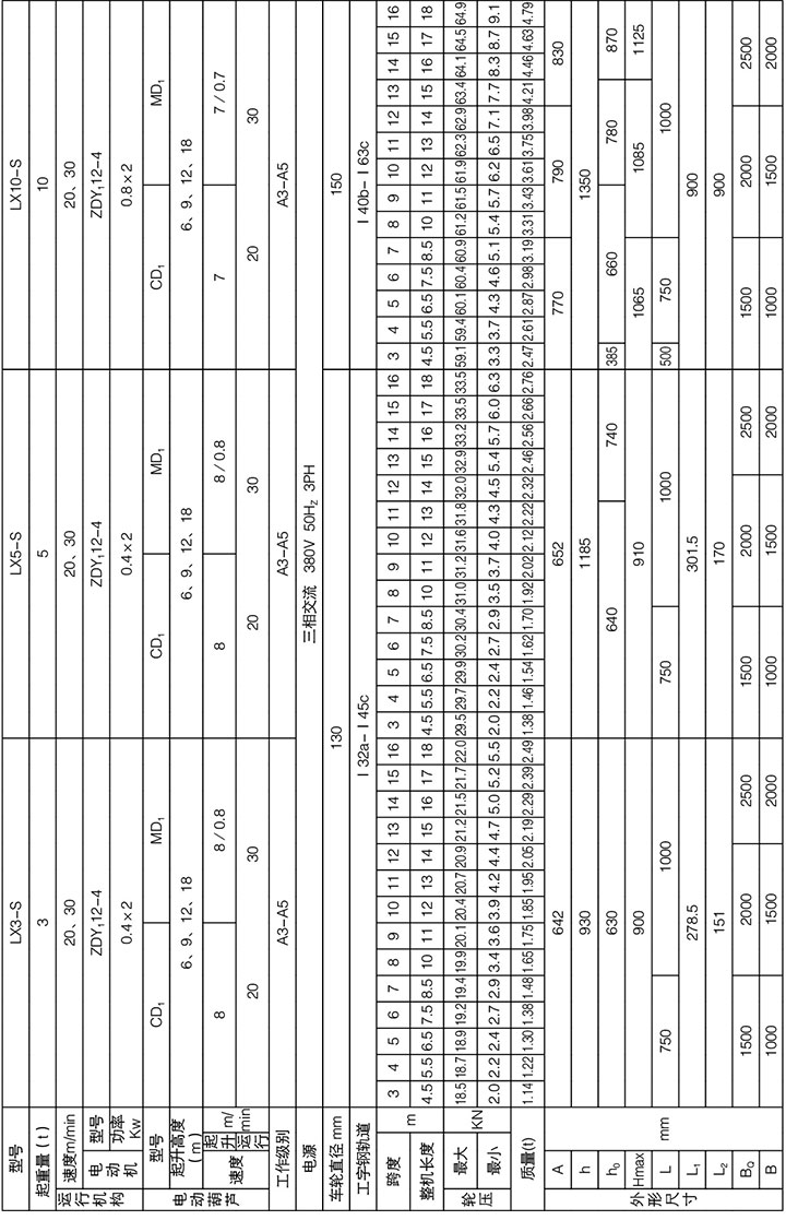
本机适用于工厂、仓库建筑物轨面到屋架下弦高度≤500mm的场所。小车采用配套电动葫芦。结构灵活,运行安全可靠。如跨度有特殊要求,我公司可非标设计制造。
注:1.起重机质量包括电动葫芦质量。
2.最大轮压、最小轮压指一组车轮轮压。
3.一组轮压为四个车轮,一个车轮轮压为一组车轮轮压四分之一。
4.Gn=2t 3m≤S≤7.5m Gn=1t S≤12m Gn=0.5t S≤16m其主要结构为工字钢,槽钢组合型式.

