在线客服
在线客服
在线客服
免费咨询热线
欢迎访问起重设备
返回引导页
首页
13905709171
13575668108
产品展示
电动葫芦
CD1.MD1型电动葫芦
HC型电动葫芦
新型钢丝绳电动葫芦
梁式起重机
LX型电动单梁悬挂起重机
LDA电动单梁起重机
LB型防爆电动单梁起重机
SDXQ-3型手动单梁悬挂起重机
LZ型3~5吨单梁抓斗起重机
门式起重机
400吨门式起重机
MZ型5~10吨双梁抓斗门式起重机
L型葫芦门式起重机
L型5~32/5吨单主梁吊钩门式起重机
A型双梁吊钩门式起重机
U型10~50/10吨双梁吊钩门式起重机
U型地铁翻渣吊钩门式起重机
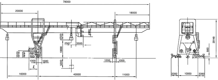
5吨装卸桥
10吨装卸桥
MH型电动葫芦门式起重机
桥式起重机
QD型400/80~450/80吨吊钩桥式
QD型300/40~350/75吨吊钩桥式
QD型125/32~250/50吨吊钩桥式
LH型电动葫芦桥式起重机
QD型5~50/10吨吊钩桥式起重机
QD型75/20~100/20吨吊钩桥式
QB型5~50/10吨防爆桥式起重机
QC型16/3.2~32/5吨主钩电磁桥式
QE型5~16吨双小车吊钩桥式
QC型20/5~32/5吨副钩电磁桥式
QL型旋转电磁挂梁桥式起重机
挂梁桥式起重机(平行主梁方向)
QZ型5~20吨抓斗桥式起重机
冶金起重机
QDY型5~74吨吊钩式铸造起重机
YZ型双梁铸造桥式起重机
YZS型四梁铸造桥式起重机
新型起重机
KSL欧式电动单梁起重机
新型双梁起重机
电动平车
电动平车
5吨装卸桥
搜索
5吨装卸桥
详细介绍
5吨装卸桥
上一个:暂无 下一个:暂无
返回产品列表